Thumbwheel Switch
Guardian’s thumbwheel switch offers a mechanical life of 1.8 million cycles and ±1% independent linearity, with operation up to 30,000 feet. For mission-critical or fail-safe use, redundant circuitry is available to ensure highly reliable actuation. The unit can be custom-mounted to meet customer specifications.
Specs
|
Ratings 12146_6e0bd7-83> |
Electrical working range: |
|
Circuits 12146_195c1e-da> |
Output @ center position to be: |
|
Electrical Life 12146_38bab8-e9> |
NA 12146_4a3d4b-47> |
|
Mechanical Life 12146_de607f-21> |
1,800,000 cycles 12146_4ad57e-b9> |
|
Operating Force 12146_6decef-a7> |
NA 12146_02a591-93> |
|
Release Force 12146_d49468-50> |
NA 12146_fe5a77-ed> |
|
Operating Temp 12146_c9a18b-42> |
-54C to 85C 12146_d900ed-65> |
|
Mounting 12146_4497b9-a2> |
Screw Mount 12146_b1b657-a7> |
|
Terminal 12146_04787c-89> |
Solder Turret 12146_599792-16> |
|
Options & Other Mechanical |
Torq @ 5 deg: |
|
Agency Approvals 12146_99ff3e-38> |
MIL R-39023 12146_d11a08-e4> |
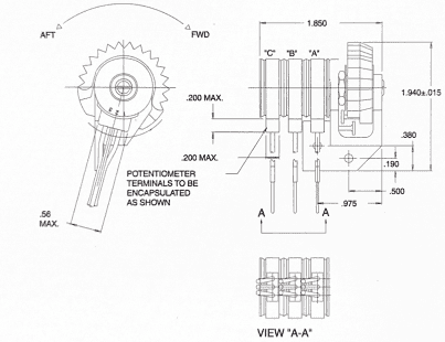
Envelope Dimensions

Special Features
Need a non-standard detent, throw, or actuation force?
If you’re building mission-critical controls—from aircraft and armored vehicles to surgical devices and automated factories—we’ll tailor your electromechanical switches (toggle, rocker, slide, trigger, thumbwheel, multi-way) with the right contact ratings, sealing, illumination, mounting, and terminations.
Frequently Asked Questions
